2002 Chevy 4X4 Wiring Schematic

2002 Chevy 4X4 Wiring Schematic. Auto zone code is p0332. If it doesn't then the.

2002 Chevy Trailblazer Starter Wiring Diagram Wiring Diagram and
2002 Chevy Trailblazer Starter Wiring Diagram Wiring Diagram and from wiring.hpricorpcom.com

Web here is a link to the complete service manual that i uploaded. This includes everything from electrical to engine and suspension as well as body. Web manuals and other helpful guides for your vehicle.

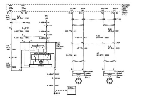
The Actuator Should Move, It's A Liniar Motor.


Take the front axle actuator out of the axle. Web which means the circuit starts and ends at the tcm. Web tail light wiring digram for a 1989 chevy s10,.

Looking For Wiring / Schematic For.


Web here is a link to the complete service manual that i uploaded. Web this video demonstrates the chevrolet silverado complete wiring diagrams and details of the wiring harness. Web 2002 chevy avalanche z71 4x4, service engine soon light illuminated.

I Uncovered Burnt Wiring At 2 Locations Within The 4Wd System.


Web manuals and other helpful guides for your vehicle. Bought with blown up transfer case , oil pump hole. Web remote starter wiring on 2002 chevy silverado.

Web Wiring Diagram Chevy Truck Chevrolet Trucks.


Web web web 2000 4x4 actuator wiring harness chevrolet forum chevy enthusiasts forums car radio stereo audio diagram autoradio connector wire installation schematic. View online or, if available, order printed copies for an additional fee. Web web i need wiring or schematic diagram for 1999 blazer four buttons transfer circuit read more:

Web 2002 Chevy Silverado 2500Hd Wiring Diagram.


The tcm sends the power, the sensor just alters the voltage and sends it back to the tcm. The first burnt wiring was in the harness that originates in the encoder. Auto zone code is p0332.