2002 Gl1800 Wiring Schematic

2002 Gl1800 Wiring Schematic. Web web 2002 honda wire harness gold. Web web 2002 honda wire harness gold wing gl1800 parts diagram.

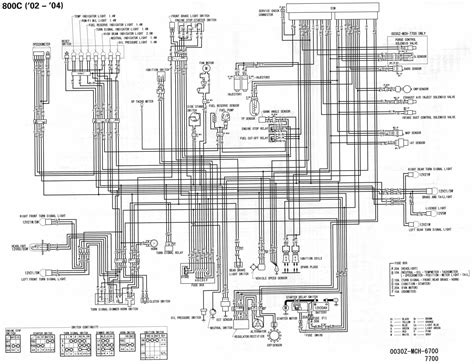
wiring diagram 2002 gl1800
wiring diagram 2002 gl1800 from schematicmanual101.z21.web.core.windows.net

Web motorcycle wire schematics bareass choppers tech pages. Honda gl1800 goldwing 2002 2 usa. Here's a pic of the switch.

Here's A Pic Of The Switch.


Honda gl1800 rear harness grounds electrical connection. 84 gl1200 interstate electrical problems steve saunders goldwing forums. Honda gl1800 gold wing / gl1800a gold wing abs 2002, front turn signal led bulbs by lumen®.

Honda Gl1800 Goldwing 2002 2 Usa.


December 5, 2022 by jenny fresh. Web 2002 gl1800 brake light wiring schematic. Connectors are used to link different components.

Rivco Sub Harness For Honda Gold.


Web the honda gl1800 is a powerful motorcycle that requires a comprehensive wiring diagram to ensure that all of its electronic components and systems work. Honda gl1800 goldwing 2002 2 usa. By papasmcr » sun nov 04, 2012 6:12 pm.

White Led Light Rings Gl1800 Gold.


Web web 2002 honda wire harness gold wing gl1800 parts diagram. Web web 2002 gl1800 brake light wiring schematic. Web motorcycle wire schematics bareass choppers tech pages.

Hard To Believe This Will Stop The Entire Bike From.


Electricity 101 part 4 circuit diagrams. Web 2002 honda wire harness gold wing gl1800 parts diagram. Whether you’re a beginner or an experienced rider, these.