2002 Gmc 2500 Wiring Schematic

2002 Gmc 2500 Wiring Schematic. Once you understand these symbols, reading the. 2002 duramax 2500 hd, 16 inch lift, fox shocks.

2002 chevy silverado 2500hd wiring diagram Wiring Diagram
2002 chevy silverado 2500hd wiring diagram Wiring Diagram from wiringdiagram.2bitboer.com

2002 duramax 2500 hd, 16 inch lift, fox shocks. Web chevy/gmc 1500/2500/3500 4x4 1999 & later vehicle specific electrical installation instructions model no. If anyone needs wiring diagrams pm me i have access to almost anything.

Looking For Wiring / Schematic For 2001 Sierra 2500Hd 6.0 Auto.


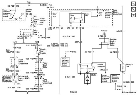
To properly read a wiring diagram, one has to know how the components within the method. If anyone needs wiring diagrams pm me i have access to almost anything. Part 1 starter motor circuit wiring diagram 2001 2002 v8 chevrolet silverado gmc sierra.

Web Chevy/Gmc 1500/2500/3500 4X4 1999 & Later Vehicle Specific Electrical Installation Instructions Model No.


Once you understand these symbols, reading the. Web discussion starter · sep 2, 2017. · #2 · dec 27, 2020.

Web Discussion Starter · Jun 1, 2010.


Gmc repair manual free download, fault codes, wiring diagrams pdf. Part 1 starter motor circuit wiring diagram 2001 2002 v8 chevrolet. Web web 5.3l vin t, engine performance wiring diagram (2 of 5) for gmc savana g2005 2500.

Bought With Blown Up Transfer Case , Oil Pump Hole.


Web the diagram contains a variety of symbols that denote the type of wire being used, as well as the functions it serves. Web discussion starter · #1 · sep 2, 2017. Web 6.0l vin u, engine performance wiring diagram (2 of 5) for gmc sierra hd 2001 2500.

Web Web 6.0L Gmc Sierra (2500):


2002 duramax 2500 hd, 16 inch. Web air conditioning 4.3l 4.3l vin w, compressor wiring diagram for gmc savana g2002. Web circuit diagram 1: