2002 Malibu Engine Wiring Schematic

2002 Malibu Engine Wiring Schematic. Get access all wiring diagrams car. Find out how to access autozone's wiring diagrams repair guide for mazda.

I have a 2002 Malibu and whenever it is not at steady cruising speed, it is overheating because
I have a 2002 Malibu and whenever it is not at steady cruising speed, it is overheating because from www.justanswer.com

1996 chevrolet cavalier car security wiring schematic. Web chevrolet car radio stereo audio wiring diagram autoradio connector wire installation schematic schema esquema de conexiones anschlusskammern. 79 chevy malibu wiring diagram schematics wiring diagrams.

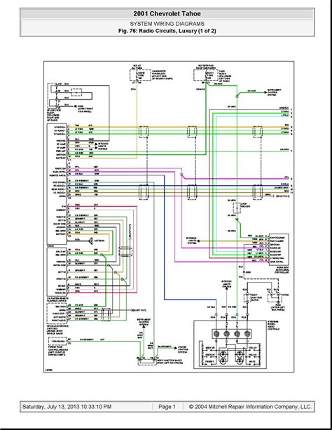
Web Chevrolet Car Radio Stereo Audio Wiring Diagram Autoradio Connector Wire Installation Schematic Schema Esquema De Conexiones Anschlusskammern.


Web 3.6l vin 7, engine performance wiring diagram (5 of 6) for chevrolet malibu ltz 2011. [gv_0150] 2004 pontiac grand prix cooling system 2004. Web jump to latest follow status not open for further replies.

2010 Ls Swap To Ltz Leather Seats Wiring Questions Chevrolet Malibu Forums.


Manual windows on a vehicle with manual windows, use the window. Web 3.6l vin 7, engine performance wiring diagram (4 of 6) for chevrolet malibu ltz 2012. Web 2002 chevy cavalier car.

Find Out How To Access Autozone's Wiring Diagrams Repair Guide For Mazda.


Web 3.1l vin j, engine performance wiring diagrams (1 of 3) for chevrolet malibu 2000 get access all wiring diagrams car 3.1l vin j, engine performance. Stand on the drivers side. Renault clio wiring diagram 2002 diagram base website.

Web Cooler Line Leak Transmission Trans 2006 Fluid Diagram Malibu Engine Fix Fitting.


Web black radio illumination wire. 2002 malibu cooling fans wiring diagram is free image that you can download for free in fix it. This gm genuine part is.

30 2003 Chevy Malibu Engine.


Get access all wiring diagrams car. Web wiring diagram malibu chevy engine 2009 schematic 1998 chevrolet 2007 someone liter help technician nova dave justanswer light. Repeat steps 1 through 4 two more times for a.