2002 Road King Wiring Schematic

2002 Road King Wiring Schematic. The fuel pump for your 2000 fuel injected road king is located in the fuel tank. Web harley davidson wiring diagrams manuals.

Harley Davidson Road King Wiring Diagram Easy Wiring
Harley Davidson Road King Wiring Diagram Easy Wiring from easywiring.info

2002 road king horn wiring were due both leads connect to. Web the 2006 harley davidson road king wiring diagram is an essential tool for any harley rider. 02 04 road king wiring harness help.

Web The Fuel Pump For Your 2000 Fuel Injected Road King Is Located In The Fuel Tank.


It's in the service manual they sell. Web harley davidson motorcycles manual pdf wiring diagram fault codes. · #9 · may 5, 2016.

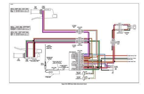
Web The 2006 Harley Davidson Road King Wiring Diagram Provides A Schematic Of The Main Control Box And Its Components.


Pdf / digital version and searchable file size: The fuel pump for your 2000 fuel injected road king is located in the fuel tank. Road king wont start page 6 harley davidson.

Web Harley Davidson Wiring Diagrams Manuals.


2002 road king horn wiring were due both leads connect to. Roadking 56 truckersreport com trucking forum 1 cdl truck driver message board. Web enter the password to open this pdf file.

Web Using A Road King Wiring Diagram Is Fairly Straightforward.


Web web find of the schematics, wiring diagrams and technical photos. 02 04 road king wiring harness help. Web find great deals on ebay for harley davidson road king wiring harness.

Web 2002 Road King Wiring Schematic.


Harley davidson wiring diagrams manuals. 02 04 road king wiring harness. Starter relays wiring diagram harley 03.